Nové produkty
MANUÁLNÍ VENTIL PRO HYDRAULICKÝ MOTOR MP-MR-MH UZAVŘENÉ CENTRUM - 50LIT
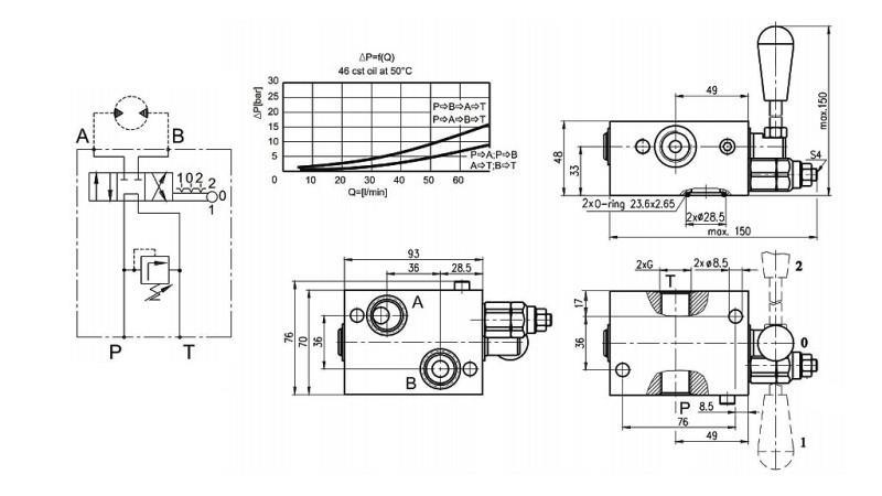
Opis:
Manuální ventil je namontován přímo na hydraulickém motoru a slouží k jeho přímému ovládání.
Páka ventilu umožňuje aktivaci a deaktivaci, stejně jako změnu směru otáčení hydraulického motoru.
Ventil 'OTEVŘENÉ CENTRUM'- V neutrální poloze se hydraulický motor neotáčí. Jinak není hydraulicky poháněn, ale hřídel hydraulického motoru se může otáčet vlastní setrvačností nebo setrvačností zatížení.
Nejčastěji se používá v aplikacích, kde chceme, aby se pohon zastavil se setrvačností zatížení nebo mít možnost samootáčení pohonu - hydraulického motoru.
Ventil 'UZAVŘENÉ CENTRUM'- V neutrální poloze se hydraulický motor otáčí, což znamená, že setrvačnost zatížení ho nemůže otáčet.
Nejčastěji se používá v aplikacích, kde chceme, aby se pohon okamžitě zastavil a zůstal stát poté, co je pohon - hydraulický motor vypnutý.







