Uudet tuotteet
PMRV-75 VAIHTEISTO SÄHKÖMOOTTORILLE MS90 (1.1-1.5KW) SUHDE 20:1
Tuotekoodi:
13284
OEM:
9990000092840
Verokanta
22 %
Hinta ilman ALV:tä:
139,34 EUR
Hinta ALV:n kanssa:
170,00 EUR
Ref:
9
Lisäkuvaus:
| sähkömoottori | vaihteisto | ulostulo vääntömomentti M2 [Nm] | turvakerroin - SF |
|---|---|---|---|
| 1.1kW (MS90) | RV-75 | 122 | 1.6 |
| 1.5kW(MS90) | 166 | 1.2 |
Kuvaus:
PMRV-vaihteistot käytetään yhdessä sähkömoottoreiden kanssa.
Vaihteisto vähentää sähkömoottorin kierroksia haluttuun arvoon. Vaihteistoilla on erilaisia suhteita 7.5:1 - 10:1 - 20:1 - 40:1.
Asennettaessa vaihteistoa, varmista aina, että:
- tietoja nimikilvessä vastaavat tilatun tuotteen tietoja
- kotelo ja akselit ovat puhtaita ja vahingoittumattomia
- pinta, johon vaihteisto on kiinnitetty, on tasainen ja tarpeeksi vahva
- vaihteisto ja sähkömoottorin akseli sopivat hyvin yhteen
- jos on mahdollisuus tärinälle tai jumittumiselle, on asennettava vääntömomentin rajoitin
- pyörivät osat on peitetty muovikansilla
- ulkokäyttöön tarkoitettu laite on asianmukaisesti säänkestävä
- käyttöolosuhteet eivät aiheuta korroosiota (ellei aikaisemmin sovittu ja vaihteisto ja sähkömoottori on asianmukaisesti valmisteltu)
- vaihteet, akselivaihteet, sisään-/uloskäynnit on asianmukaisesti kiinnitetty, jotta vältetään radiaaliset tai aksiaaliset kuormat, jotka eivät ylitä suurinta sallittua rajaa
- kaikki liitännät on päällystetty korroosionestomateriaalilla hapettumisen estämiseksi kosketuksessa
- kaikki kiinnityspultit on tiukasti kiristetty
Kaikki laskelmat perustuvat sähkömoottoreihin, joissa on 1400 kierrosta. Jos käytät sähkömoottoria, jonka nopeus on eri kuin 1400 kierrosta minuutissa, jaa sisäänmenokierrokset vaihteiston suhteella saadaksesi ulostulokierrokset.
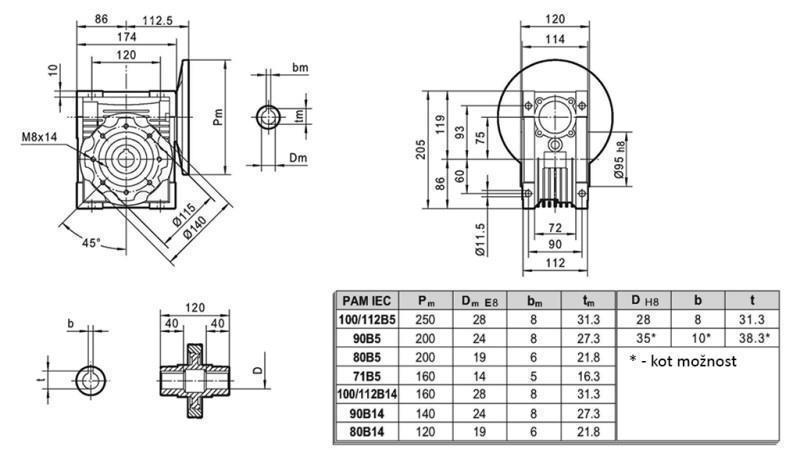
Lisätietoja teknisistä tiedoista löytyy liitteestä 'MITAT - TUOTESELOSTE'.
Toimittaja:
Puola
Palautus tai vaihto:
14 päivää
Suhde:
20 : 1
Tuotteen paino:
9 kg
Teho RPM:
70 rpm
Takuu:
1 vuosi
sähkökoneen syöttökierrokset:
1400 rpm







