Nieuwe artikelen
HYDRAULISCHE KLEP HIAB 8XPC70 + 2X EURO JOYSTICK 3 POZ
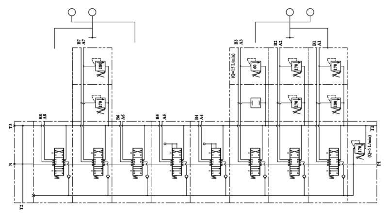
Splošni opis:
Ročni oziroma mehanski hidravlični ventil РC70 je namenjen za distribucijo in krmiljenje delovnega toka med hidravlično črpalko ter hidravličnimi cilindri.
Hidravlični ventil se uporablja za gozdarske prikolice – (HIAB).
Sestavljen v bloku 8 segmentov.
Delovanje:
Vsi hidravlični ventili so opremljeni z varnostnim ventilom. V nevtralnem položaju (ročica v sredini) olie kroži skozi ventil. Pri prestavitvi ročice v eno ali drugo stran, hidravlični ventil povzroči gibanje cilindra oz. vrtenje hidromotorja v eno ali drugo smer. Po spustitvi ročke se le ta samodejno vrne v nevtralni položaj, hidromotor oz. cilinder se ustavi v trenutnem položaju, olie pa ponovno kroži skozi ventil. Možna je uporaba tako imenovanega 'closed center' elementa, kar pri ventilu spremeni, da v nevtralnem položaju olie ne kroži skozi ventil oz. takšen ventil ni meer pretočen. Pri uporabi oz. vezavi še ostalih ventilov je potrebno uporabiti člen 'carry over', ki omogoča oskrbo olie še za ostale ventile.
Pri ventilih z vreteni za plavajočo funkcijo, le ta omogoča cilindru prost pretok olie, kar posledično pomeni da se cilinder prosto giblje (oz. se snežni plug prilagaja terenu).
Ventili z vreteni za enosmerni cilinder, so namenjeni za enosmerni cilinder.
Zgradba:
РC70 je monoblok distribucijski ventil. Izdelan je iz litega železa EN-GJL300. Vretena so izdelana iz ogljikovega jekla ter so trdo kromana.
Priključki:
Vreteno je privijačeno z dvema vijakoma M10.











